
ADW電力物聯網儀表系列
聯系我們


ADW400環保監測模塊
DW400環保監測模塊主要用于計量低壓網絡的三相有功電能,同時可選擇四個回路的電流輸入,具有RS485通訊和470MHz無線通訊功能,方便用戶進行用電監測、集抄和管理。可靈活安裝于配電箱內,實現對不同區域和不同負荷的分項電能計量,統計和分析。應用范圍:
ADW400方便用戶進行用電監測、集抄和管理,特別適合環保監管類的廠區智能監管改造項目,可廣泛應用于化工廠、制藥廠、鋼鐵廠、養殖廠等產污制污的工廠。訂貨范例:
具體型號:ADW400-D16--4SX

ADW400尺寸圖:

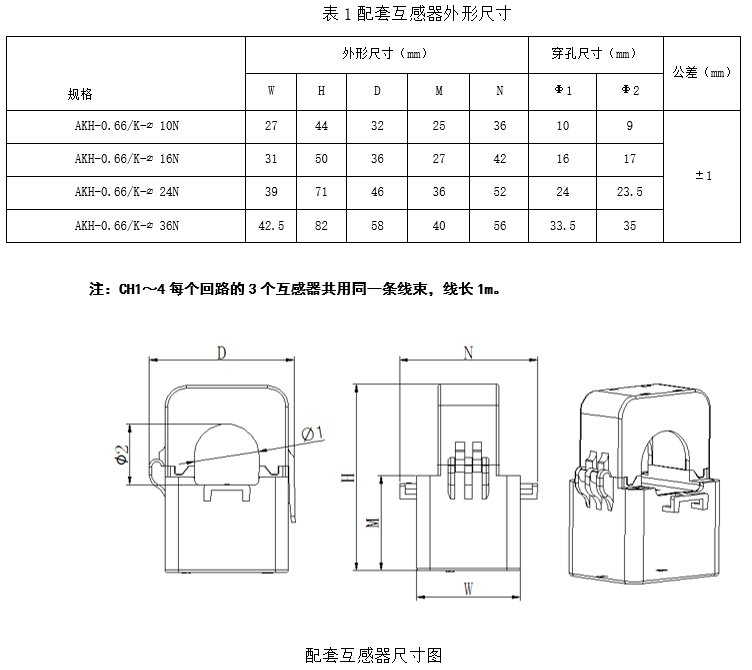
配套互感器外形尺寸:


工程案例
MORE+